Рыночная стоимость наших участков

насущные хозяйственные и садово-огородные вопросы
kioskersha
Садовод
Сообщения: 250
Зарегистрирован: 29 ноя 2012 15:18
Откуда: ДПК "Поляна"
x 5
Контактная информация:

Сообщение kioskersha » 06 май 2015 23:57

Что значит термин "подаваемой на участок мощности"? :) При входе проводов на участок нет какого-либо "вентиля" или "регулируемой задвижки". Сколько электрооборудования подключил на участке - столько из из сети и забираешь. Есть предохранители, которые отключают потребителей при недопустимо больших токах. Ну так это как с местным электриком договоришься, может заменить тебе на более мощные.
Реальное ограничение - это трансформатор. Он может передавать определенную мощность. Если потребляемая мощность превышает, то трансформатор перегревается и может сгореть. Чтобы трансформатор не сгорел у него тоже есть защитный предохранитель (который местный электрик за бутылку шнапса уже не заменит).
То что где-то кому-то делают бесплатно, то охотно верю :) стоит только захотеть, и всё будет сразу и бесплатно.
В ДПК "Поляна" меняли трансформатор за свой счет.
0 x

kioskersha
Садовод
Сообщения: 250
Зарегистрирован: 29 ноя 2012 15:18
Откуда: ДПК "Поляна"
x 5
Контактная информация:

Сообщение kioskersha » 07 май 2015 00:21

15 кВт на 1 участок? :)
Можно и 30 кВт взять. Например зимой, когда в поселке остается полтора десятка обитаемых домов.
Давайте проверим Ваши цифры про 15 кВт. Это просто. Назовите количество участков, умножим это число на 15 кВт, а потом я найду в Гугле картинку трансформатора такой мощности. с "неуБИенными" (как-то так) размерами. И сравним с фотографией Вашего трансформатора. около которого для масштаба желательно поставить человека. А лучше сфотографировать прямо шильдик (заводскую табличку) с маркировкой :)
0 x

Аватара пользователя
raevsku
Модератор
Сообщения: 5356
Зарегистрирован: 27 сен 2008 04:04
Откуда: оттуда
x 317

Сообщение raevsku » 07 май 2015 01:27

kioskersha, не совсем точно.
Есть еще потери ХХ, за которые тож нужно платить... и зимой.
0 x
"вроде говоришь, да все не про то..." ©

kioskersha
Садовод
Сообщения: 250
Зарегистрирован: 29 ноя 2012 15:18
Откуда: ДПК "Поляна"
x 5
Контактная информация:

Сообщение kioskersha » 07 май 2015 10:06

ток течет по проводам :)
понять это невозможно :) :)
надо просто запомнить :) :) :)
0 x

Аватара пользователя
Aqua$erg
Хозяин
Сообщения: 9744
Зарегистрирован: 08 авг 2006 20:46
Откуда: СНТ "Полиграфист"
x 774
Контактная информация:

Сообщение Aqua$erg » 07 май 2015 19:20

Геор писал(а):Ув Аквасерг- у вас тоже на самом деле 0,4 квт если разделить мощность на кол участков. И причем никто не хочет заниматься эл- Ом. Не удивлюсь , если вам скоро и эти крохи уменьшат тк платит ст Белоострове не аккуратно
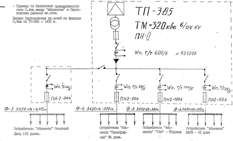
Ничего не понимаю в маркировках Трансов и в их схемах распределения эл-ва по СНТ. На 2000г. была такая схема (см. вложение). Однако, это действовало почти с 50-х гг и до начала XXI в. Однако, в начале 2000-х многие СНТ, включае наше, стали ставить свои трансы. Какой сейчас стоит у нас - не в курсе (бумажек нет), и подключен ли он ТОЛЬКО на наше СНТ или делимся до сих пор с соседями - тоже не знаю. Но полагаю, что на каждый из почти 120-ти участков полагается по нормативу более, чем упомянутые 400Вт - это немыслимо в современных условиях.

Ради спортивного интереса попробую разъяснить мощность транса и выделенную мощность на участок. Но в дальнейшем прошу всех поубавить в этой ветке обсуждение эл.мощностей и моделей трансов. Здесь все-таки обсуждается Рыночная Стоимость Участков :smoke:
Вложения
trans-trans_2000.gif
Это старье раньше снабжало 4 СНТ
0 x

Аватара пользователя
raevsku
Модератор
Сообщения: 5356
Зарегистрирован: 27 сен 2008 04:04
Откуда: оттуда
x 317

Сообщение raevsku » 07 май 2015 21:55

Aqua$erg, таки, скажу здесь, мощность на участок получается около 1 кВА.

В догонку... Есть отдельная тема, где можно обсудить липиздрические тонкости:
viewtopic.php?t=637&start=0&postdays=0& ... 2%E5%F0%E8
0 x
"вроде говоришь, да все не про то..." ©

kioskersha
Садовод
Сообщения: 250
Зарегистрирован: 29 ноя 2012 15:18
Откуда: ДПК "Поляна"
x 5
Контактная информация:

Сообщение kioskersha » 08 май 2015 10:45

Про электричество в отрыве от цены участка - это совсем другая история.
Электричество учитывается и продавцами и покупателями при определении стоимости. Мне покупатель пишет: "и смутило то, что ... электричества только чайник вскипятить". А ведь это не так. Совсем не так.
Не стоит ориентироваться на заявления про "15 кВт на участок", они не соответствуют ...
0 x

Аватара пользователя
Osbourne
Знаток
Сообщения: 6465
Зарегистрирован: 20 мар 2007 05:03
Откуда: ЛУАТ
x 985

Сообщение Osbourne » 08 май 2015 12:48

kioskersha, поясните.
kioskersha писал(а):Электричества только чайник вскипятить. А ведь это не так.
Что значит "чайник вскипятить" - это сколько? И "не так" - это что значит?
0 x
Білоострів це Європа

Аватара пользователя
raevsku
Модератор
Сообщения: 5356
Зарегистрирован: 27 сен 2008 04:04
Откуда: оттуда
x 317

Сообщение raevsku » 08 май 2015 17:28

дальнейший флейм на тему липиздричества будет удален.

Напоминаю повторно, электрические проблемы обсуждаются здесь: viewtopic.php?t=637&start=0&postdays=0& ... 2%E5%F0%E8
0 x
"вроде говоришь, да все не про то..." ©

Ответить